I2C /IIC Monitor/Watch practical

Use Altera CPLD EPM3064 to complete IIC Watch

If you are tired of listening to the principles and want to learn IIC from a different perspective, you can refer to my entire implementation process.
My IIC Monitor finished !!!!
The IIC Monitor Output result in hyperterminal for setting RS-232 Boud Rate 115200X8 bps
The output ASCII format is described as follows
  • @<>38@<>38@<>38@<>38@<>38@<>98?00@<>98?00@<>98?00@<>98?00@<>98?0
  • >  Start
  • ?  no ACK occur
  • @ ACK Response occur
  • < Ending
The method of using Altera CPLD EPM3064 is as follows, and refer to my teacher's book.
Schmitt trigger circuit should be added to the input of cpld is as follows.
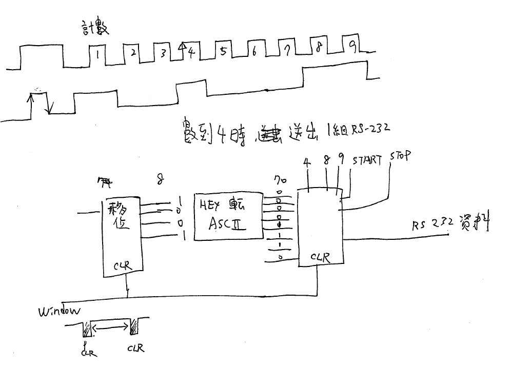
Construction drawings (look up from the bottom of the IC)
Timing diagram
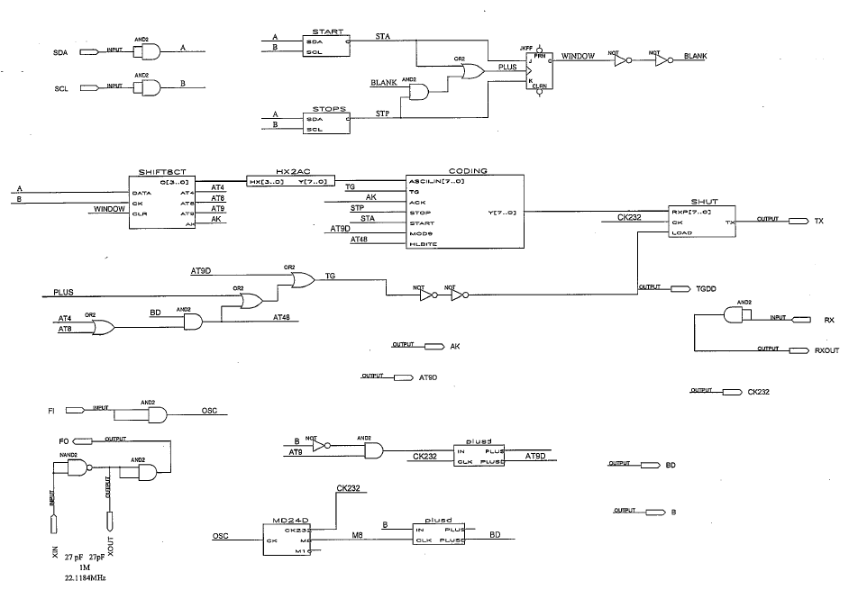
The code is as follows
 
library ieee ;
use ieee.std_logic_1164.all ;
use ieee.std_logic_unsigned.all ;
use ieee.std_logic_arith.all ;
--*******************************
entity coding is
 port ( ASCII_IN : in  std_logic_vector(7 downto 0) ; 
		TG,ACK,STOP,START,MOD9,HLBITE: in  std_logic ;
		Y : out  std_logic_vector(7 downto 0));
end coding ;
--*******************************
architecture A_if_then_else of coding is
begin
  process (TG,ACK,STOP,START,MOD9,HLBITE,ASCII_IN)
  begin
    if tg'EVENT and tg='1'  then  
		if   STOP='1' then
			if  START='1' then Y <= "01111100" ;
			else  Y<="01111000";
			
			end if;
		elsif HLBITE='1'  then  Y <= ASCII_IN  ; 
    	elsif MOD9='1' and ACK='1' then  Y <= "10000000" ;
		elsif MOD9='1' and ACK='0' then Y<="01111110"; 
		else  Y <= "11111111"  ; 
    	end if;
	
	end if;
  end process; 
end A_if_then_else ;

library ieee ;
use ieee.std_logic_1164.all ;
use ieee.std_logic_unsigned.all ;
use ieee.std_logic_arith.all ;
--*******************************
entity hx2ac is
 port ( HX      :std_logic_vector(3 downto 0) ;  
		Y       : out std_logic_vector(7 downto 0)) ;
end hx2ac ;
--*******************************
architecture A_with_select_when of hx2ac is
signal Temp : std_logic_vector(3 downto 0) ;
begin
  Temp <= HX;
  with Temp select
   Y <= "01100000"  when  "0000"  ,
		"01100010"  when  "0001"  ,
		"01100100"  when  "0010"  ,
		"01100110"  when  "0011"  ,
		"01101000"  when  "0100"  ,
		"01101010"  when  "0101"  ,
		"01101100"  when  "0110"  ,
		"01101110"  when  "0111"  ,
		"01110000"  when  "1000"  ,
		"01110010"  when  "1001"  ,
		"10000010"  when  "1010"  ,
		"10000100"  when  "1011"  ,
		"10000110"  when  "1100"  ,
		"10001000"  when  "1101"  ,
		"10001010"  when  "1110"  ,
		"10001100"  when  "1111"  ,
        "11111111" when others ;
end A_with_select_when  ;
library ieee ;
use ieee.std_logic_1164.all ;
use ieee.std_logic_unsigned.all ;
use ieee.std_logic_arith.all ;
--*******************************
entity MD24D is
 port ( CK : in  std_logic ; 
	 CK232,M8,M16 :OUT std_logic);
end md24D ;
--*******************************
architecture A_generic of mD24D is
begin
process(CK)
VARIABLE Q_temp: std_logic_vector(4 DOWNto 0);
begin
    if CK'event and CK='1' then
		if Q_temp="10111" then Q_temp:="00000";
		ELSE Q_temp:= Q_temp + 1;
		end if;
	end if ;
CK232 <= Q_TEMP(4);	
M8 <= Q_TEMP(2);	
M16 <= Q_TEMP(3);	
    end process ;
   end A_generic ;
library ieee ;
use ieee.std_logic_1164.all ;
use ieee.std_logic_unsigned.all ;
use ieee.std_logic_arith.all ;
--*******************************
entity shift8ct is
 port ( DATA,CK,CLR : in  std_logic ; 
	    Q : out std_logic_vector(3 downto 0);
				AT4,AT8,AT9,AK: out std_logic) ;
end shift8ct ;
--*******************************
architecture A_generic of shift8ct is
   signal Q_temp : std_logic_vector(0 to 9) ;
	begin
   process(DATA,CK,CLR)
	variable s_temp,r_temp : std_logic_vector(0 to 3) ;
   begin
     if CLR='0' then  Q_temp <= "0000000000" ;r_temp := "0000" ;S_temp := "0000" ;
	 	elsif CK'event and CK='1' then
					r_temp := r_temp + 1 ;
					Q_temp(0)<= DATA;
					for i in 0 to 8 loop
					Q_temp(i+1)<= Q_temp(i) ;
					end loop ;
			if r_temp="0100" then s_temp:="1000";
			elsif r_temp="1000" then s_temp:="0100";
			elsif r_temp="1001" then s_temp(0):='0';s_temp(1):='0';s_temp(2):='1';s_temp(3):=data;
			elsif r_temp="1010" then r_temp := "0001" ;s_temp:="0000";
			else s_temp:="0000";
			end if;
	 	end if ; 
AT4<=s_temp(0);AT8<=s_temp(1);AT9<=s_temp(2);AK<=s_temp(3);
   end process ;
	Q <= Q_temp(0 to 3) ;
  	 
  	
end A_generic ;

library ieee ;
use ieee.std_logic_1164.all ;
use ieee.std_logic_unsigned.all ;
use ieee.std_logic_arith.all ;
--*******************************
entity shut is
 port ( RXP : in std_logic_vector(7 downto 0);
		CK,LOAD : in  std_logic ; 
	 		TX : out std_logic);
end shut ;
--*******************************
architecture A_generic of shut is
signal Q_temp : std_logic_vector(8 downto 0) ;
 
begin
  process(RXP,LOAD,CK)
   begin
     if LOAD='1' then 	
		q_temp <= (RXP & '1') ;
		elsif CK'event and CK='1' then
													
					Q_temp(8)<='1';				
					for i in 8 downto 1 loop
					Q_temp(i-1)<= Q_temp(i) ;
					end loop ;
	end if;
   end process ;
	 
		TX <= Q_temp(0) ;
end A_generic ;

library ieee ;
use ieee.std_logic_1164.all ;
use ieee.std_logic_unsigned.all ;
use ieee.std_logic_arith.all ;
--*******************************
entity FILTER is
 port ( D,CLK : in  std_logic ;                    
	    Q             : out std_logic ) ;
end FILTER ;
--*******************************
architecture A_table of FILTER is
signal Q_temp : std_logic ;
begin
process(D,CLK)
  begin
			
		if CLK'event and CLK='1' then  
 	         Q_temp <=D;
		end if;
end process ; 
end A_table;

library ieee ;
use ieee.std_logic_1164.all ;
use ieee.std_logic_unsigned.all ;
use ieee.std_logic_arith.all ;
--*******************************
entity STOPS is
 port ( SDA,SCL : in  std_logic ;                    
	    Q             : out std_logic ) ;
end STOPS ;
--*******************************
architecture A_table of STOPS is
signal Q_temp : std_logic ;
begin
process(SDA,SCL)
  begin
		if SCL='0' then
		Q_temp <= '0' ;	
		elsif SDA'event and SDA='1' then  
 	         Q_temp <='1';
		end if;
    
    Q <= Q_temp ; 
end process ; 
end A_table;

發表留言